THB評価システム
![]()
機器概要
THB評価システムは、車載用半導体など、民生用半導体に比べ過酷な条件下で高い信頼性を実現する為に、高温高湿下で電圧印加をおこなう信頼性試験装置です。
85℃/85%RH条件下でデバイス発熱負荷を最大300Wまで許容します。
ご要望により各種スタティックバーンインへの対応、温湿度範囲、試験数量など最適なシステムをご提案します。
- 特長・用途
-
- 広範囲で高精度な温湿度制御を実現
無段階制御の電子式自動膨張弁を搭載した冷凍システムにより、通常の85℃/85%RH環境のみならず、広範囲な温湿度範囲において高精度な制御を実現しています。 - 高い発熱下でも高精度の温湿度制御が可能
大風量のシロッコファンの採用、温度分布を考慮した槽内ラック構造など、デバイス発熱最大300Wにおいても、高精度の試験を行うことが出来ます。(85℃/85%RH時 許容発熱 300W) - 低騒音化を実現
チャンバーから発生する騒音の大部分を占める排熱ブロアに、低騒音型のファンを採用し、設置環境の改善にも大きく貢献しています。 - 環境に配慮したものづくり
リサイクルを配慮した設計、オゾン層破壊係数ゼロのHFCフロン使用、省スペースを実現した天井排熱方式(空冷式)など環境に配慮した製品となっております。
- 広範囲で高精度な温湿度制御を実現
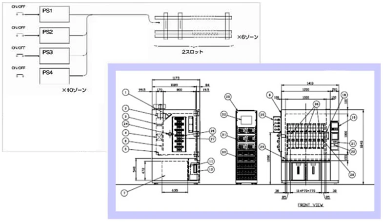
- 外観/システムブロック図(例)

仕様
左右にスクロールしてご覧ください。
| 項目 | 仕様 |
|---|---|
| 温度/温湿度範囲 | -10~+100℃/50~95%RH |
| 温湿度分布性能 | ±2℃/±5%RH(無試料時) |
| 許容発熱負荷 | 300W(85℃/85%RH) |
| 外法 1 チャンバー本体 2 システムラック |
幅1583 高さ1970 奥行1347mm 幅530 高さ1810 奥行1200mm |
| DUT電源仕様 | ご要望に応じます |
| クロック仕様 | ご要望に応じます |
| DUT電源投入遮断 | プログラムによるシーケンス動作設定可能 |
| バーンインコントローラ (タッチパネル) | 1 バーンイン時間設定 2 バーンイン残時間のモニタ 3 ゾーン別のDUT電源及びクロック信号ON/OFF及び動作シーケンス 4 試験途中での試料取り出し機能 |
この製品をご覧になっているお客さまへのおすすめ製品はこちら
- 製品に関するお問い合わせ
- カスタマーサポートデスク





